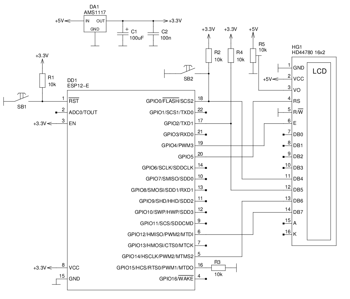
Driver for HD44780 LCDs connected directly to GPIO / to I2C by PCF8574-like GPIO expanders (#246)
30 KiB
1114x951px
30 KiB
1114x951px
Driver for HD44780 LCDs connected directly to GPIO / to I2C by PCF8574-like GPIO expanders (#246)