esp-open-rtos/examples/i2c_lcd_test/i2c_lcd.png
Ruslan V. Uss 574f944fbb Driver for HD44780 LCDs (#246)
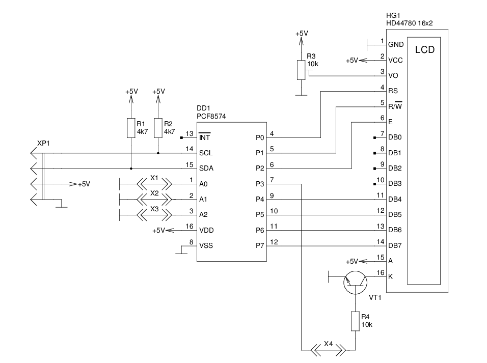
Driver for HD44780 LCDs connected directly to GPIO / to I2C by PCF8574-like GPIO expanders (#246)
2016-10-26 16:21:55 +03:00

14 KiB
956x713px