esp-open-rtos/examples/hd44780_lcd/schematics.png
Ruslan V. Uss 574f944fbb Driver for HD44780 LCDs (#246)
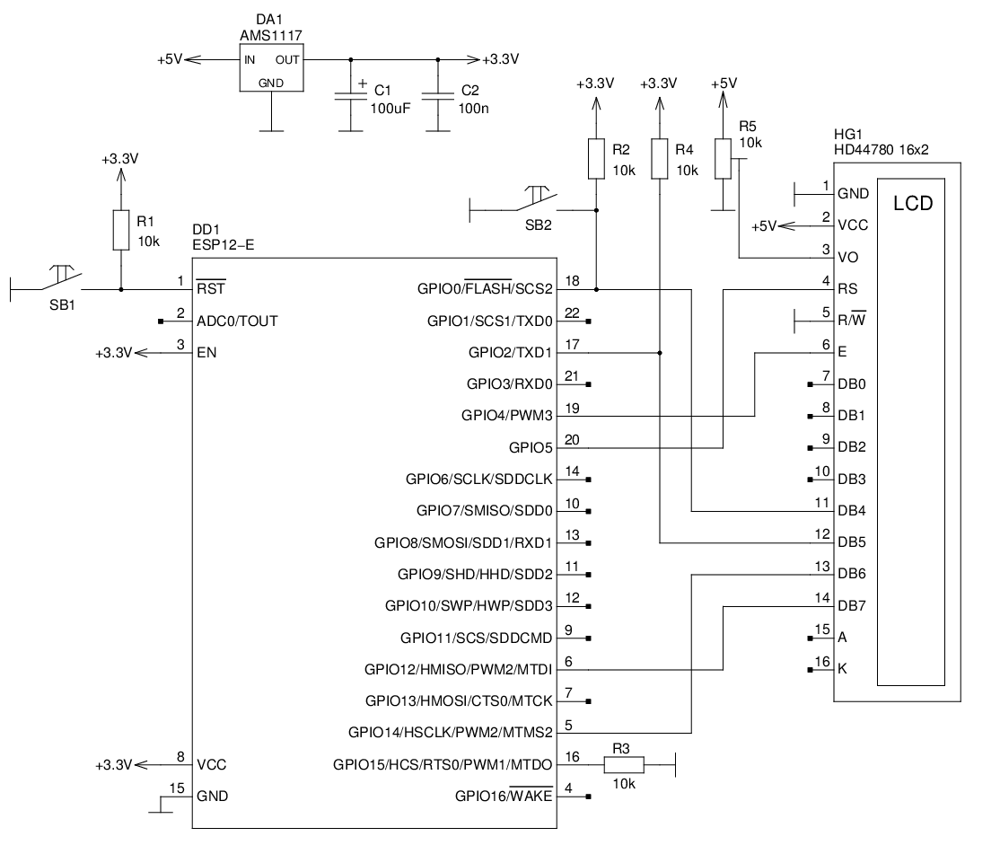
Driver for HD44780 LCDs connected directly to GPIO / to I2C by PCF8574-like GPIO expanders (#246)
2016-10-26 16:21:55 +03:00

30 KiB
1114x951px